Racing Wheel(s) als Flugsimulator-
Steuerung und -Bedienung

PC-Lenkrad für Höhentrimmung
Taster für Cockpit-Schalter -- Switch Panel im Eigenbau
Pedale für Seitenruder
Pedale eines zweiten PC-Racing-Wheel für Bremsen links & rechts


Das USB-PC-Lenkrad anzuschließen und die X-Achse (Lenkrad) im FSX zur Steuerung von Höhenrudertrimmung einzurichten sowie die Pedaleinheit für das Seitenruder stellte kein Problem dar. Voraussetzung dafür ist nur, dass die beiden Pedale eine gemeinsame Achse bilden (Y- und Y+).

Die Lenkrad-Einheit habe ich seitlich am Tisch angebracht, sodass das Lenkrad senkrecht steht. Im Rad musste ich nur zwei Federn herausnehmen, die das Lenkrad in Mittelstellung hielten - es war ein wahrlich simples Device -, danach ließ es sich frei drehen. Bei Force-Feedback-Wheels müsste es reichen, die Motoren ohne Strom zu lassen, vorausgesetzt, die übrige Lenkrad-Elektronik funktioniert auch allein mit den 5 Volt aus dem USB-Bus.

Bei der Benutzung muss man lediglich darauf achten, dass Funktionen nicht für beide USB-Steuergeräte eingetragen sind, und ab und zu dies auch mal kontrollieren. Ich hege den Verdacht, dass der FSX das manchmal selbst einträgt, wenn man mal den Treiber erneuert oder mal das eine oder andere Gerät vom Bus ausgestöpselt war und wieder eingesteckt wurde.

Ich war ein Lenkrad
Ich war ein Umschalter

Taster für Cockpit-Schalter


Der Wunsch, auch die diversen Tastschalter eines solchen Lenkrads für Cockpit-Schalter im FSX zu nutzen, war dann schon nicht mehr trivial. Denn erstens sollten die Schalter in das FrontPanel einer Box eingebaut sein, die dann neben dem Hauptjoystick stehen sollte, und zweitens wollte ich Wippschalter (ein/aus) statt der vorhandenen Taster haben.

Ziel war, die wichtigsten Cockpit-Schalter für Propellerflieger abzubilden, um während des Fluges - der mit dem Start der Motoren beginnt - nicht zur Maus greifen und auf dem Bildschirm herumklicken oder die passende Taste auf der Tastatur suchen zu müssen. Dass die Software nicht weiß, wie die Schalter gerade stehen, nehme ich in Kauf. Dann müssen die Schalter halt im definierten Ausgangszustand sein, bevor der Flugsimulator gestartet wird.

Ein passendes Kästchen fiel mir gleich in die Hände: ein alter Tastatur- und Mausumschalter. Die Aussparungen auf der Rückseite für die Anschlussbuchsen schienen mir genau passend für meine Schalter. Damit bestand ein Bedarf an 9 wie auch immer gestalteten Schaltern. Außerdem sollte an der Seite des Kästchens der Hebel für das Fahrwerk angebracht sein und auf der anderen Seite irgend ein Hebel zur Betätigung der Parkbremse. Damit stieg die Zahl der Schaltstellen auf 11, und weil einer der Schalter ein Wippschalter mit 2 Schaltkontakten (zum Öffnen und Schließen der Kühlluftklappen) sein sollte, letztendlich auf 12 Schaltkontakte.

Das missbrauchte Lenkrad hatte 6 Taster, plus 2 Schaltwippen, plus ein Hat-Switch oder Rundumschalter (auch Coolie Hat genannt oder Point Of View = POV). Also 8 Taster plus 1 POV. Wenn sich die 4 Richtungen des POV als 4 Schalter missbrauchen ließen, hätte ich also genau die gewünschten 12 Schalter.

Erstes Problem: So ein POV lässt sich nicht so einfach hardwaremäßig ummodeln. Die einzelnen Richtungen werden vom FSX nicht als Schalternummern erkannt, sondern nur als POV, bei dem zusätzlich Richtungs-Gradwerte übertragen werden. Bei meinem Vier-Richtungs-POV also 0, 9000, 18000 und 27000. Dieses Problem ließ sich mit der PD-Software Autohotkey lösen, bei dem es sogar ein Beispiel-Skript gibt (Joystick-Test-Script), das ich nur ein wenig anpassen musste.

Zweites Problem: Die Schalter des Lenkrads sind Taster, ich möchte jedoch Wippschalter haben. Schalte ich einen Wippschalter auf ein, so steht er so lange auf Dauerfeuer, bis ich ihn wieder ausschalte. Es musste also eine Lösung her, die einen Schalter zum Taster macht.

Zufällig stieß ich im Internet auf einen Baustein, der genau dies tut: ein 8-facher "Schalter zu Taster Konverter". Allerdings kostet der knapp 6 Euro plus noch mal so viel Versandkosten. Recht teuer für ein ansonsten aus Schrott entstehendes Projekt. Weil der Platz in meinem Kästchen recht begrenzt ist, ich es unbedingt mit dem vorgefundenen Material durchziehen und es mir nicht unnötig verkomplizieren wollte, wählte ich dennoch die teure Lösung.

Zum Glück reichte mir ein Konverter, denn fünf Schaltfunktionen konnten Tastfunktionen bleiben, mussten also nicht über den Konverter geführt werden (Parkbremse, 2 Starterknöpfe, Kühlluftklappen auf und zu). Der Konverterbaustein reagiert an den 8 Eingängen auf einen Pegelwechsel. Immer wenn man einen Schalter öffnet (high->low) oder schließt (low->high), sendet er am zugehörigen Ausgang ein 800 ms langes Signal. Fast eine Sekunde ist ganz schön lange, doch für den Zweck spielt das keine Rolle, denn bei den damit geschalteten Funktionen ist keine Repeat-Funktion eingestellt, noch muss man zwei Schaltfunktionen gleichzeitig oder möglichst kurz nacheinander auslösen.

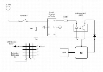
Die Elektronik des PC-Racing-Wheel war im Lenkrad selbst untergebracht. Bei näherer Betrachtung der ausgebauten Platine wurde noch eine dritte Hürde sichtbar: Die Erkennung der Schalter ist als Matrix realisiert. Die Schalter sind in drei Vierergruppen zusammengefasst und werden vom IC mit vier Zuleitungen angesteuert, zurück kommen drei. Hängt man jetzt eine trennende Schaltung - den "Schalter zu Taster Konverter" - dazwischen, kann das Lenkrad-IC den Schaltkontakt nicht mehr erkennen.

Die Lösung sind Optokoppler, die den Matrix-Kreis des Joystick-ICs von dem Schalter-Konverter-Kreis trennt. Die Schalter werden mit +5V (vom USB-Bus) versorgt, schalten den Schalter-Taster-Konverter, der wiederum über den Optokoppler anstelle des ursprünglichen Joystick-Tasters den Impuls in die Matrix des ICs schickt (siehe Schaltplan).

Der vom Schalter kommende Eingang des Konverter-Bausteins muss mit einem 4k7-Widerstand auf Masse gezogen werden. Auf der anderen Seite muss zwischen Konverter-Ausgang und Optokoppler-Eingang jeweils ein Widerstand 220R eingebaut werden.

Der ehemaliger Umschalter wird Fahrwerk-Hebel


Die Lenkrad-Elektronik ...

... etwas passend gekappt


Der Konverter-Baustein "Schalter zu Taster"


Schaltplan, hier für den Schalter 1 dargestellt

Die Ausführung


Die Platine habe ich aus dem Lenkrad ausgebaut, etwas zurechtgesägt, damit sie besser ins Kästchen passt, und Kabel an die beiden Pole der Taster gelötet. Alle neuen Teile fanden Platz auf einem kleinen Stück Lochrasterplatine, das ich über der Lenkrad-Platine platzierte. Dieses Sandwich passte gerade in das Kästchen. Die Kabel aus dem Lenkrad habe ich nach hinten und nach oben schließlich an der Rückseite in das Kästchen geführt. Mit Hilfe von Stiftleisten und Kabelstecker ist das Ganze auseinandernehmbar zusammengesteckt.

An der rechten Seite des Kästchens habe ich den ehemaligen Umschalter angebracht, der nun als Fahrwerkhebel dienen soll. Er kennt nur zwei Stellungen, früher Computer A oder B, nun Ein/Aus für das Fahrwerk. Statt des Drehknopfes steckt jetzt der Arm einer 5,25-Zoll-Festplatte auf dem Umschalter, und zwar so, dass der Arm bis über die Frontplatte hinausragt und in der Stellung "Fahrwerk eingefahren" auffällig nach oben ragt.

Die linke Seite ziert als "Parkbremse" eine Konstruktion aus einem Schlitten eines CD-ROM-Laufwerks, auf dem der Lesekopf vor und zurück fährt, sowie weiterer Kleinteile aus dem Laufwerk. Der Kunststoffträger musste hier und da zurechtgestutzt und wieder zusammengeklebt werden, damit er nicht über den Kasten hinausragt. Der ehemalige Lesekopf ist seiner Innereien beraubt und wird von einer Feder zurückgehalten. Die Schaltfunktion ergibt sich, wenn der Kopf mittels eines zurechtgebogenen Slotblechs nach vorne gezogen wird. An der Vorderseite des Rahmens stößt der Kopf dann an einen Minischalter und löst den Tastimpuls aus.

Zuletzt verlegte ich die Leuchtdiode, die ehemals in der Lenkradmitte die Betriebsbereitschaft (USB-Kabel steckt im PC) anzeigte, an das Frontpanel neben den "Zündschlüssel". Auf die andere Seite des Schlüsselschalters platzierte ich eine weitere Diode, die anzeigen soll, wenn der Schlüssel auf "on" geschaltet ist.

Damit auch im abgedunkelten Zimmer auf "on" stehende Schalter erkennbar sind, habe ich zum Abschluss die dann herausstehende Seite des Kippelements mit weißem Nagellack bepinselt. Als zusätzlichen "Leuchteffekt" hilft es, auf den trockenen Nagellack mit einem gelben Textmarker zu streichen.

Ein Stück Lochrasterplatine nimmt Optokoppler etc. auf

Zusammen ergeben sie ein Sandwich


Jetzt nur noch zuklappen

Zutaten

  • Racing Wheel, USB
  • Tastaturumschalter aus vor-PS/2-Zeiten
  • einige Ein/Aus-Schalter aus PC-Netzteilen
  • Teile aus Festplatten und CD-ROM-Laufwerken
    • HD-Schreib/Lesearm
    • Minischalter
    • Leuchtdiode
    • Schlitten mit Lesekopf aus CD-ROM-Lw
  • Reste aus der Bastelkiste
    • Pulldown-Widerstandsarray
    • 8x Widerstand 4k7
    • 8x Widerstand 220R
    • ein Stück Lochrasterplatine
    • IC-Sockel
    • Kabel
  • Zukauf:
    • Schalter zu Taster, 5,90 €
    • 8 Optokoppler 4N25 2,00 €
  • Kauf nicht zwingend notwendig, aber vom Design her gewünscht:
    • Schlüsselschalter 3,15 €
    • 2 Taster 3,90 €
    • Wippenschalter tastend 2,35 €



Das Resultat direkt nach Fertigstellung (noch mit X52)

Noch'n Lenkrad


Da ich auch gerne Rennsimulationen am PC betreibe, brauche ich ein vernüftiges PC-Racing-Wheel, und zwar eines mit Kupplung, also drei Pedalen. Konfiguriert man die Pedale so, dass man auch mit Kupplung fährt, werden Gas- und Kupplungspedal verschiedenen Achsen zugeordnet (jedenfalls ist das so beim Thrustmaster RGT Force Feedback Clutch). Damit wäre es also möglich, sie im Flugsimulator für Bremse links und rechts zu nutzen. Damit lässt sich im Prinzip am Boden auch steuern, doch in der Luft fehlen dann die Seitenruder-Pedale.
Nun wollte ich die neue Pedaleinheit eh auf einem Holzbrett fixieren, weil es bei gleichzeitigem Kuppeln und Bremsen kippelte. Zweitens hat das alte PC-Wheel eine armselige Pedaleinheit; doch genau das macht sie jetzt wertvoll, denn die Pedale sind sehr niedrig. So ließen sich die Pedale des alten Lenkrads (siehe oben) und des neuen in einer simplen Holzkonstruktion kombinieren. Zuunterst erst die große Einheit auf einer Holzplatte festgeklemmt, darüber ein dünnes Brett, das auf deren Pedal-Fußablage aufliegt. Darauf die alte Pedaleinheit mit Hilfe von zwei durchgesteckten Nippeln aufgesteckt.
Kupplung und Gas des unteren fungieren nun beim Flusi als Bremsen, die Pedale des anderen als Seitenruder. In der Luft kann man bequem mit den vorderen die Rudder bedienen. Am Boden braucht man ein bisschen Übung, bis man gleichzeitig mit den Fußspitzen die Bremsen und mit den Fersen die Rudder bedienen und das Flugzeug steuern kann.
Im Prinzip geht das ähnlich wie mit einem gekauften Rudder-Addon, nur dass es damit bequemer geht. Doch dafür muss ich beim Umstieg auf ein Rennspiel nur die vordere Pedaleinheit abnehmen und zur Seite legen. Außerdem stehen die Pedale fürs Racing nun fest und kippeln nicht mehr nach hinten.

Die Pedale von 2 PC-Lenkrädern als Bremsen&Ruder

Ensemble aus 1 Flight Yoke, 1 Quadrant,
2 PC Racing Wheels etc...

zurück zum Textanfang
eine Ebene zurück
Kommentar
Kontakt